输送设备
13633733996













一、GZ系列电磁振动给料机特性说明
(一)用途和特点
1、用途
GZ系列电磁振动给料机广泛应用于矿山、冶金、煤炭、建料、轻工、化工、电力、机械、粮食等各行各业中,用于把块状、颗粒状及粉状物料从贮料仓或漏斗中均匀连续或定量地给到受料装置中去。例如,向带式输送机、斗式提升机、筛分设备等给料;向破碎机、粉碎机等喂料,以及用于自动配料,定量包装等,并可用于自动控制的流程中,实现生产流程的自动化。
2、特点
电磁振动给料机是一种新型的给料设备,它和其它给产设备相比具有以下特点:
(1)体积小,重量轻,结构简单,安装方便,无转动部件不需润滑,维修方便,运行费用低。
(2)电磁振运给料机由于运用了机械振动学的共振原理?双质体在低临界近共振状态下工作,因而消耗电能少。
(3)由于可以瞬时地改变和启闭料流,所以给料量有较高的精度。
(4)本系列电振机的控制设备采用了可控硅半波整流线路;,因此在使用过程中可以通过调节可控硅开放角的办法方便地无给地调节给料量,并可以实现生产流程的集中控制和自动控制。
(5)由于给料槽中的物料在给料过程中连续地被抛起,并按抛物线的轨迹向前进行跳跃运动,因此给料槽摩损较小。
(6)本系列电振机不适用于具有防爆要求的场合。
(二)结构
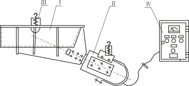
电磁振动给料机由以下产要部件组成(见图1)
I、料槽
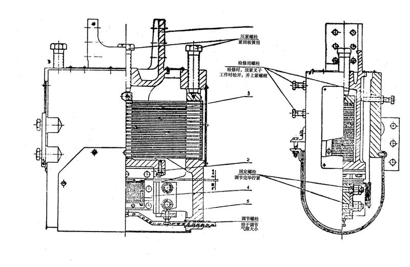
Ⅱ、电磁振动器(详见图2)
Ⅲ、减振器
Ⅳ、控制箱

图1 电振机简图
(三)安装和调整
l、安装
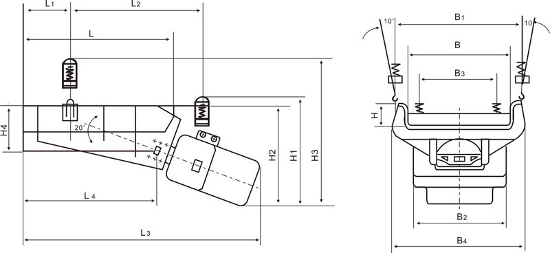
(1)本系列电振机均为悬挂式安装,其中振动器的悬挂杠杆应垂直吊挂,为了减少给料机的横向摆动,给料槽悬挂吊杆应向外张开10。布置。四个悬挂吊杆吊挂在具有足够刚度的结构上,对于大型给料机为了维修和更换料槽方便,应布置移动滑架悬挂吊杆。
(2)安装时一般不受拆卸安装,安装后的给料要周围应有一定的游动间隙,使给料机处于自由状态。
(3)安装后的给料机横向应水平,以免给料机工作时物料向一侧偏移。
(4)按控制原理图进行接线,并进行接地保护。
(5)安装完的给料机在试运转前必须松开检修时用的联接叉定位螺栓,然后用螺母锁紧,参看图2。
2、调整
给料机出厂前已经调试好,经过现场试车各项基本参数达不到设计要求时,应进行一些必要的调试,其步骤如下:
(1)调整铁芯衔铁之间的装配气隙;
GZ系列电振给料机振动器的设计气隙为2毫米(即铁芯和衔铁的装配间隙)如果装配间隙偏大,将会引起电流的显著增大,以至烧毁线圈;相反,如果气隙偏小,则铁芯和衔铁将容易发生碰撞,造成铁芯和衔铁的损坏。本系列电振给料机装配气隙的调整是用铁芯凸耳的长孔(DZl一DZ5)或铁芯后部的四个调整螺栓(DZ6一DZ9)来实现的。在调整装配气隙的同时,铁硅和衔铁的两个工作面必须保持平行,调整好后再把调整螺栓锁紧。
(2)弹性系统的调谐:本系列电振机的调谐是通过调整板弹簧组的片数来实现的。调谐时,首先拧紧板弹簧的顶紧螺栓并松开装配用的联接叉定位螺栓(参看图2)然后接通电源,调节电位器旋钮,逐渐增加电流,同时观察振幅指示牌所示的振幅增大,电流下降,说明板弹簧组刚度增大,应适当减少板弹簧片数。如果顶紧板弹簧的螺栓放松之后,振幅更加减小,则说明板弹簧组的刚度偏低,应适当增加板弹簧片数。如果初开车,当电流达到额定值时振幅偏大,并超过额定值,则说明板弹簧刚度偏低,亦该适当增强板弹簧片数。
如此反复进行,直至振幅、电流达到额定值为止(当振幅达到额定值时电流稍低于额定值亦可)
图2(a)振动器示意图(GZ1-GZ5)
(四)使用和说明
1、振幅的测量
振幅指标牌如图3(a)所示,其指示部分可为一直角三角形。当指示牌与槽体一起振动时,由于视觉暂留,则直角边与斜边形成一个交点,其交点所对应的标尺数即为被测槽体的双振幅值,如图3(b)所示,当双振幅为2毫米时,交点就对应在标尺2处。

图3
2、起动及停止
初次开动电振机前,应先将电位器旋钮调至“零”位,接通电源后逐渐增大电流,直至额定值,以免由于意外原因烧毁控制箱和线圈。
本系列电振机允许在定额电压、电流和振幅下直接起动与停车。
3、试运转
给料机出厂前已进行时间不少于四小时的空载试车,设备在现场安装调整完毕后一般也应该进行短期试运转,在试动转过程中振幅和电流除随电网电压波动而变化外应该是稳定不变的。
4、生产率的调节
电振给料机的生产率调节通常采用如下两种方法:
(1)调节给料机的振幅,在额定振幅范围内,通过旋转控制箱电位器旋钮或输入自动控制信号可以直接调节振幅,从而可以无级地调节给料机的生产率。
(2)调节料仓闸门的开度,改变料层厚度,也可以达到调节给料机生产率的目的。
5、运行维护
给料机的运行过程中必须经常检查经料槽振幅及电流的额定情况,如遇板弹簧顶紧螺栓松动或板弹簧断裂,铁芯和衔铁之间气隙发生变化或撞击,必须立即处理。给料机在使用**周内必须每天每班检查并拧紧所有顶紧螺栓,固定螺钉和螺帽。一周后可隔一天检查并拧紧一次,直至设备运转为止。
6、其它
振动器的密封罩必须盖好,以防板弹簧之间的间隙堵塞。运行中其它故障,产生原因及处理方法参看表l:
表1 运行中的其它故障及处理方法
序号 | 故障征象 | 故障原因 | 处理方法 |
1 | 接通电源后机器不振动 | (1)保险丝断了(2)线圈导线短路或引出线接费断了 | 更换保险丝 |
用摇表或欧姆表检查电阻处理短路或接好引出线 | |||
2 | 振动微弱,调整电位器振幅反映小不起作用或电流偏高 | (1)可控硅被击穿(2)气隙堵塞、板簧间隙堵塞 | 更换可控硅 |
清除堵塞物 | |||
3 | 机器噪音大,调整电位器振幅反映不规则,有猛烈的撞击声 | (1) 板弹簧发生断裂 (2)振动器与槽体连接螺栓断裂或松动(3)铁芯和衔铁发生撞击 | 更换新板弹簧 |
更换或拧紧螺栓 | |||
调整气隙到标硅2毫米 | |||
4 | 机器间歇地工作或电流上下波动 | 线圈损坏 | 检查线圈层或匝间有无短路现象和引出线接头是否虚联,然后修理或更换线圈 |
5 | 空载试车正常,负载后振幅降低较多 | 料仓排料口设计不当,使料槽承受料柱压力太大 | 重新设计或改进料仓口设计减少料柱压力 |
6 | 其余正常,只有电流偏高 | 可能气隙太大 | 调整气隙到标硅值2毫米 |
(五)GZ系列电磁振动给料机的选型
1、GZ系列电磁振动给料机型号说明

2、GZ系列电磁振动给料机的生产率
基本型、上振型、封闭型三种型式的给料机中GZ1-GZ5型的生产率按物料比重1.6吨/米3,给出:GZ6一GZ11型给料机生产率按物料比重2.3吨/米3给出,平槽型、宽槽型给料机生产率按配煤和选煤条件给出。
当实际物料比重大于计算比重或小于计算比重的,给料机的生产率应按实际物料比重进行折算。

电振给料机的实际生产率还和给料机的安装方式(水平或倾斜)、料层厚度、物料粒度、含水量、粘性、摩控系数等有关,所以选用时应按下式进行计算:
Q=QH·r/rp·C1·C2·C3式中:
Q:实际生产率(吨/小时)
QH:标准生产率(吨/小时)
r:实际物料比重(吨/米3)
rp:设计物料比重(吨/米3)
C1:给料机安装倾角修正系数。
C2:物料含水量修正系数。
C3:物料粒度修正系数。
C1、C2、C3值按图4(a)、(b)、(c)查出。
图4(a)安装倾角与生产率修正系数C1的关系

图4(b)水分含有量与生产率修正系数C2的关系
图中:曲线A用于沙、矿石、煤焦炭等不亲水物料。
曲线B用于盐、粘土、石膏等亲水物料。

图4(c)物料料度与生产率修正系数C2的关系
实际上,上述的计算公式仍然是近似的,由于物料的物理性质不同,输送效率差异也较大,也有物料甚至不能输送。因此,对于附着性大的粘性物料及假比重大于2.8的物料不能按上式计算给料机的生产率。
3、GZ系列电磁振动给料机的技术特性
GZ系列电振给料机的生产率和各项基本参数见表2
表2 GZ系列电磁振动给料机系列参数
类型 | 型号 | 生产率(t/h) | 给料粒度mm | 双振 幅 mm | 供电电压(v) | 电流(A) | 有功功率(kw)
| 配套控制箱型号 | 设备注重(kg) | ||
水平 | -10 | 工作电流 | 表示电流 | ||||||||
基本型 | GZ1 | 5 | 7 | 50 | 1.75 | 220 | 1.34 | 1 | 0.06 | XKZ-5G2 | 73 |
GZ2 | 10 | 14 | 50 | 3.0 | 2.3 | 0.15 | 146 | ||||
GZ3 | 25 | 35 | 75 | 4.58 | 3.8 | 0.2 | 217 | ||||
GZ4 | 50 | 70 | 100 | 8.4 | 7 | 0.45 | XKZ-20G2 | 412 | |||
GZ5 | 100 | 140 | 150 | 12.7 | 10.6 | 0.65 | 656 | ||||
GZ6 | 150 | 210 | 200 | 1.5 | 380 | 16.4 | 13.3 | 1.5 | XKZ-20G3 | 1252 | |
GZ7 | 250 | 350 | 250 | 24.6 | 30 | 3 | XKZ-100G3 | 1920 | |||
GZ8 | 400 | 560 | 300 | 39.4 | 32 | 4 | 3040 | ||||
GZ9 | 600 | 840 | 350 | 47.6 | 38.6 | 5.5 | XKZ-200G3 | 3750 | |||
GZ10 | 750 | 1050 | 500 | 39.4×2 | 32×2 | 4×2 | 6495 | ||||
GZ11 | 1000 | 1400 | 500 | 47.6×2 | 38.6×2 | 5.5×2 | 7680 | ||||
上振型 | GZ3S | 25 | 35 | 75 | 1.75 | 220 | 4.58 | 3.8 | 0.2 | DT-0.5 | 242 |
GZ4S | 50 | 70 | 100 | 8.4 | 7 | 0.45 | DT-20 | 457 | |||
GZ5S | 100 | 140 | 150 | 12.7 | 10.6 | 0.65 | 666 | ||||
GZ6S | 150 | 210 | 200 | 1.5 | 380 | 16.4 | 13.3 | 1.5 | XKZ-20G3 | 1246 | |
GZ7S | 250 | 350 | 250 | 24.6 | 20 | 3 | XKZ-100G3 | 1960 | |||
GZ8S | 400 | 560 | 300 | 39.4 | 32 | 4 | 3306 | ||||
封闭型 | GZ1F | 4 | 1.6 | 40 | 1.75 | 220 | 1.34 | 1 | 0.06 | XKZ-5G2 | 77 |
GZ2F | 8 | 11.2 | 40 | 3.0 | 2.3 | 0.15 | 154 | ||||
GZ3F | 20 | 28 | 60 | 4.58 | 3.8 | 0.2 | 246 | ||||
GZ4F | 40 | 56 | 60 | 8.4 | 7 | 0.45 | XKZ-20G2 | 464 | |||
GZ5F | 80 | 112 | 80 | 12.7 | 10.6 | 0.65 | 668 | ||||
GZ6F | 120 | 168 | 80 | 1.5 | 380 | 16.4 | 13.3 | 1.5 | XKZ-20G3 | 1278 | |
轻槽型 | GZ5Q | 100 | 140 | 200 | 220 | 12.7 | 10.6 | 0.65 | DT-20 | 678 | |
GZ6Q | 150 | 210 | 250 | 380 | 16.4 | 13.3 | 1.5 | XKZ-20G3 | 1326 | ||
GZ7Q | 250 | 350 | 300 | 24.6 | 20 | 3 | XKZ-100G3 | 1992 | |||
GZ8Q | 400 | 560 | 350 | 39.4 | 32 | 4 | 3046 | ||||
平槽型 | GZ5D | 50 | 70 | 1.5 | 220 | 12.7 | 10.6 | 0.65 | DT-20 | 633 | |
GZ6D | 75 | 105 | 100 | 380 | 11.4 | 13.3 | 1.5 | XKZ-20G3 | 1232 | ||
GZ7D | 125 | 175 | 24.6 | 20 | 3 | XKZ-100G3 | 1858 | ||||
宽槽型 | GZ5K1 | 200 | 100 | 1.5 | 220 | 12.7×2 | 10.7×2 | 0.65×2 | XKZS-20G2 | 1316 | |
GZ5K2 | 240 | 1343 | |||||||||
GZ5K3 | 270 | 1776 | |||||||||
GZ5K4 | 300 | 1408 | |||||||||
园管型 | GZ1G | 2 | 50 | 1.75 | 220 | 1.34 | 1 | 0.65 | DT-05 | 80 | |
GZ2G | 4 | 50 | 3.0 | 2.3 | 0.15 | 154 | |||||
GZ3G | 10 | 60 | 4.58 | 3.8 | 0.2 | 234 | |||||
GZ4G | 20 | 70 | 8.4 | 8 | 0.45 | DT-20 | 448 | ||||
GZ5G | 40 | 80 | 12.7 | 10.6 | 0.06 | 668 | |||||
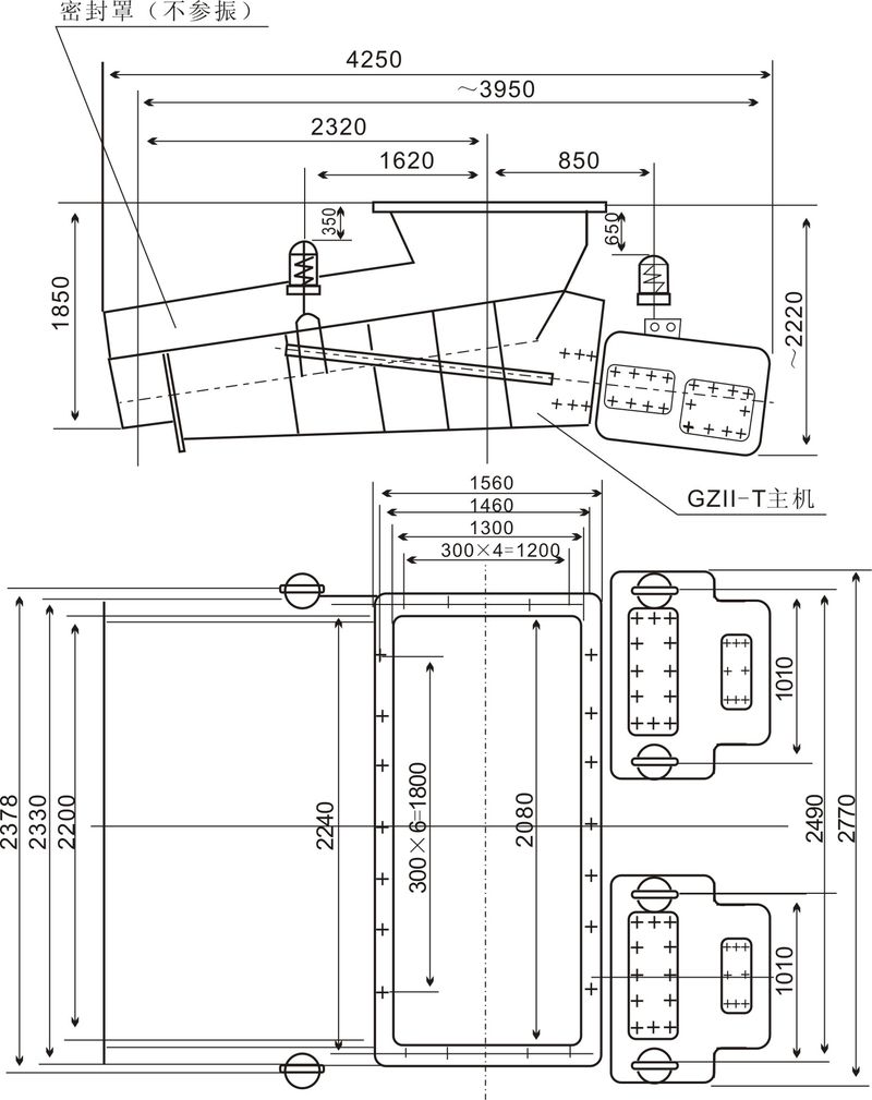
特大型 | GZ11-T | 1000物料为煤比重0.85 | 300 | 1.5 | 380 | 47.6×2 | 38.6×2 | 5.5×2 | SZK.00 | 9800 | |
注:振动频率每分钟3000次,振动角20°,调谐值09,电源频率50HZ,功率因数cosφ=0.3。
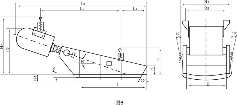
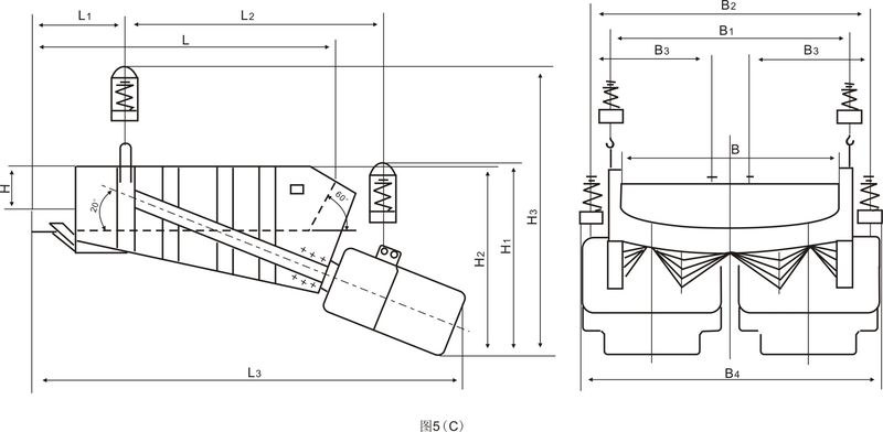
图5(a)
基本型尺寸 (毫米)
型号 | B | B1 | B2 | B3 | B4 | L | L1 | L2 | L3 | H | H1 | H2 | H3 |
GZ1 GZ2 GZ3 GZ4 GZ5 | 200 300 400 500 700 | 280 388 496 620 761 | 340 456 518 682 850 | 296 400 452 581 650 | 376 506 574 762 840 | 600 800 900 1100 1200 | 209 310 311 413 465 | 550 660 790 965 1050 | 910 1171 1325 1615 1815 | 100 120 150 200 250 | 350 430 480 550 647 | 360 450 520 645 765 | 485 600 675 814 980 |
基本型尺寸 (毫米)
型号 | B | B1 | B2 | B3 | B4 | L | L1 | L2 | L3 | L4 | H | H1 | H2 | H3 | H4 | R |
GZ6 GZ7 GZ8 GZ9 | 900 1100 1300 1500 | 1057 1257 1476 1676 | 720 840 1000 1010 | 860 1030 1166 1228 | 1092 1332 1556 1776 | 1600 1800 2200 2400 | 500 650 750 800 | 1360 1465 1800 2000 | 2410 2800 3302 3515 | 1409 1585 1938 2100 | 250 250 300 300 | 1090 1300 1460 1520 | 1030 1130 1340 1440 | 1530 1740 1695 2200 | 460 500 607 660 | 1800 2200 2600 3500 |
基本型尺寸 (毫米)
型 号 | B | B1 | B2 | B3 | B4 | L | L1 | L2 | L3 | H | H1 | H2 | H3 |
GZ10 GZ11 | 1800 2000 | 2014 2234 | 2304 2425 | 1000 1010 | ~2500 ~2640 | 2500 2800 | 750 900 | 2120 2370 | ~3630 ~4060 | 375 375 | ~1500 ~1580 | ~1450 ~1545 | ~2235 ~2310 |

基本型尺寸 (毫米)
型 号 | B | B1 | B2 | L | L1 | L2 | L3 | H | H1 | H2 | H3 | H4 | H5 |
GZ3S GZ4S GZ5S GZ6S GZ7S GZ8S | 400 500 700 900 1100 1300 | ~490 ~620 ~845 1020 1233 1426 | 518 686 761 720 840 930 | 1000 1100 1265 1650 1800 2200 | 360 410 450 650 750 850 | 1030 1220 1330 1640 1800 2330 | ~1730 ~2020 ~2260 ~2900 ~3230 ~4080 | 100 120 120 150 150 180 | ~340 ~400 ~420 ~790 ~910 ~1040 | ~690 ~865 ~960 ~1345 ~1570 ~1980 | ~650 ~806 ~920 ~1250 ~1390 ~1610 | 89 110 120 145 161 203 | 35 45 53 57 70 83 |

图7(a)
基本型尺寸 (毫米)
型 号 | B | B1 | B2 | B3 | B4 | L | L1 | L2 | L3 | H | H1 | H2 | H3 |
GZ1F GZ2F GZ3F GZ4F GZ5F GZ6F | 200 300 400 500 700 900 | 250 350 464 574 784 949 | 340 458 527 686 761 720 | ~270 ~360 ~425 ~550 ~615 ~860 | ~375 ~517 ~585 ~762 ~868 ~1120 | 600 800 1000 1100 1200 1600 | 246 288 300 451 528 584 | 716 903 1082 1306 1483 1684 | ~1064 ~1420 ~1695 ~1940 ~2190 ~2835 | 107.5 135 170 207.5 255 265 | ~340 ~430 ~470 ~550 ~640 ~1090 | ~410 ~520 ~620 ~750 ~890 ~1200 | ~490 ~610 ~710 ~850 ~1000 ~1500 |
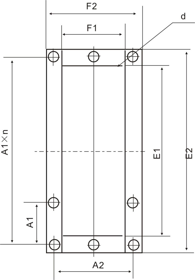
封闭型进出料口尺寸 (毫米)
型号 | A1 | A1×n | A2 | E1 | E2 | F1 | F2 | b | 进出料口联接孔 |
GZ1F | 78 | 78×3 | 154 | 200 | 254 | 120 | 174 | φ7 | 20 |
GZ2F | 112 | 112×3 | 198 | 300 | 364 | 160 | 224 | φ11 | 20 |
GZ3F | 152 | 152×3 | 252 | 400 | 486 | 200 | 286 | φ11 | 20 |
GZ4F | 112 | 112×5 | 278 | 500 | 598 | 220 | 318 | φ12 | 28 |
GZ5F | 128 | 128×6 | 308 | 700 | 808 | 240 | 348 | φ13 | 32 |
GZ6F | 161 | 161×6 | 328 | 900 | 1018 | 260 | 378 | φ13 | 32 |
轻槽型外形尺寸 (毫米)
型号 | B | B1 | B2 | B3 | B4 | L | L1 | L2 | L3 | L4 | H | H1 | H2 | H3 | H4 | R |
GZ5Q GZ6Q GZ7Q GZ8Q | 900 1100 1300 1500 | 1042 1257 1467 1672 | 791 720 850 1000 | ~615 ~860 ~1030 ~1166 | 1104 1362 1635 1866 | 1600 1800 2200 2400 | 488 650 750 800 | 1414 1406 1738 1906 | 2189 2610 3150 3464 | 1442 1596 1950 2093 | 250 250 300 300 | ~840 ~1090 ~1280 ~1430 | ~644 ~1066 ~1240 ~1430 | ~1040 ~1510 ~1800 ~2000 | 467 498 116 640 | 1800 2200 2600 3500 |
平槽型外形尺寸 (毫米)
型号 | B | B1 | B2 | B3 | B4 | L | L1 | L2 | L3 | L4 | H | H1 | H2 | H3 | H4 |
GZ5P GZ6P GZ7P | 900 1100 2300 | 1045 1232 1457 | 761 720 840 | ~615 ~860 ~1030 | ~1104 ~1292 ~1532 | 1200 1400 1600 | 388 450 500 | 1140 1233 1440 | ~1815 ~2369 ~2574 | 1068 1223 1412 | 250 250 250 | ~756 ~1090 ~1290 | ~947 ~1030 ~1809 | ~960 ~1470 ~1650 | 381 417 454 |
宽槽型外形尺寸 (毫米)
型 号 | B | B1 | B2 | B3 |
GZ5K1 GZ5K2 GZ5K3 GZ5K4 | 1600 1900 2200 2500 | 1750 2050 2350 2650 | 900 1000 1200 1400 | ~1872 ~2172 ~2475 ~2772 |

圆管型外形尺寸 (毫米)
型号 | A | B | C | D | H | E | F | G | d | M | N | L | a1 | a2 | a3 | n-φ |
GZ1G GZ2G GZ3G GZ4G GZ5G | 1340 1800 2100 2574 3400 | 376 506 574 762 843 | 875 1215 1340 1660 2250 | 340 456 518 682 757 | 610 750 800 950 1240 | 370 440 470 570 660 | 145 187 175 210 260 | 710 1126 1650 2080 2480 | 200 230 250 300 350 | 240 310 330 380 580 | 1000 1500 2000 2500 3000 | 40 45 50 65 65 | 3×79=372 3×89=267 3×892=291 3×118=354 3×136=408
| 204 230 250 300 350 | 264 294 320 400 458 | 24-φ11 24-φ11 24-φ13 24-φ13 24-φ13 |
注:可以2~3台刚性连接,同步输送。
图12
注:GZ11-T可进行封闭作业且料槽内衬有可更换的不锈钢板。
(六)GZ系列电磁振动给料机的工艺配置
1、安装倾角
本系列电振给料机用做给料时推荐下倾10°安装使用,对于粘性物料及含水量较大的物料也可将下倾确度增加到15°。如给料机用配料、定量给料或自动称量时,为保证给料量的均匀稳定,防止物体自流,给料机应水平安装使用。
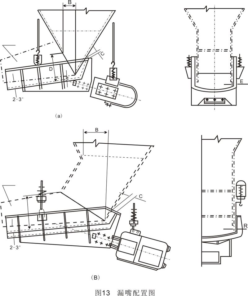
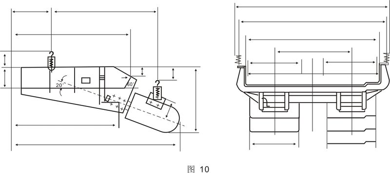
2、漏嘴的配置

本系列电振机设计时不考虑仓压影响,为保证给料机的正常运转,必须尽量减少仓压对给料机的影响。因此在设计漏嘴时应用漏嘴的后侧板承担料柱的垂直压力,漏嘴型式及配置尺寸可能考图13及表3。
3、闸门
使用时料仓出口应设置闸门,以便于调节料槽中料层顾度及维修更换料槽时关闭仓中的物料用。
表3 工艺配置数值表 (毫米)
符号 | GZ1 | GZ2 | GZ3 | GZ4 | GZ5 | GZ6 | GZ7 | GZ8 | GZ9 | GZ10 | GZ11 |
A B C D E | 20 <50 20 150 10 | 20 <65 20 150 15 | 20 <90 20 250 15 | 20 <110 40 250 15 | 20 <150 40 350 15 | 30 <200 50 500 20 | 30 <250 50 600 20 | 30 <300 60 700 25 | 30 <350 60 800 25 | 30 <400 70 1000 30 | 30 <450 70 1000 30 |
二、GZ系列电磁振动给料机的电气控制说明
GZ系列电磁振动给料机采用XKZ和DT系列控制装置,不同型号的电磁振动给料机所配用的控制箱型号见表2。
(一)控制装置的使用条件
DT和XKZ系列的控制装置允许在下列情况下使用:
(1)海拔高度不超过1000米。
(2)周围介质温度不超过一20~+40℃的范围。
(3)周围介质温度为25℃时相对温度不大于85°%。
(4)周围没有严重腐蚀性及影响电气绝缘性能的介质。
(二)控制原理
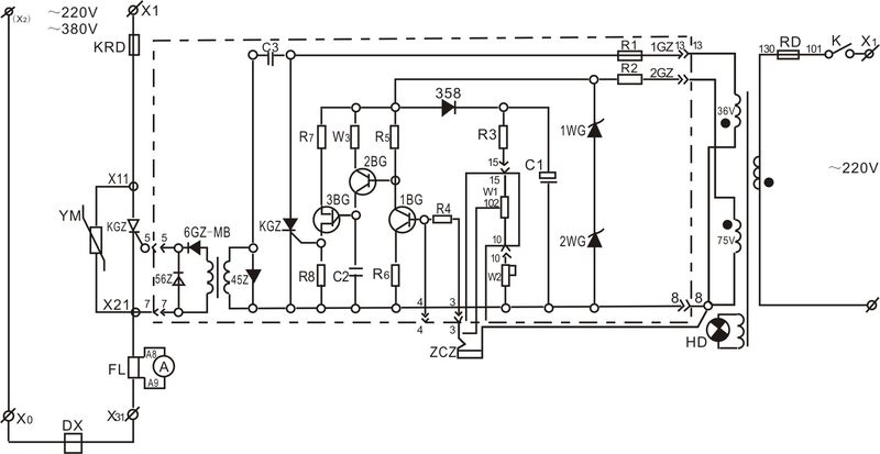
1、XKZ控制原理见图14、本箱采用可控硅半波整流电路。
2、DT控制箱控制原理见图15。本箱采用国际流行模块化结构。
3、SZK·OO电控箱控制原理见图16。

图14 XKZ控制箱电气原理图
说明:1、点划线框内部分在印刷线路板上
2、电气元件见表4
30 | 1KGZ | 可控硅 | KP5-200 | |||
29 | 3BG | 单结晶体管 | BT-33F | |||
28 | 1BG | 三极管 | 3DG101B 电老化B=40-100 | |||
27 | 2BG | 三极管 | 3CG1C 电老化 B=40-100 | |||
26 | 1WG-2WG | 稳压管 | 2CW77 | |||
25 | 6GZ | 二极管 | 2CP31B | |||
24 | 1GZ-5GZ | 二极管 | 2CZ53E | |||
23 | C3 | 电容器 | CZJD-2A 160V,4F | |||
22 | C2 | 电容器 | CJ10 160V, 0.02uF | |||
21 | C1 | 电解电容器 | CD10 50V,100μF 轴向式 | |||
20 | R8 | 电阻 | RJ-0.25 100Ω | |||
19 | R4·R7 | 电阻 | RJ-0.25 200Ω | |||
18 | R3·R6 | 电阻 | RJ-0.25 5.6Ω | |||
17 | R5 | 电阻 | RJ-0.25 8.2KΩ | |||
16 | R2 | 电阻 | R×1-6 1.8KΩ | |||
15 | R1 | 电阻 | R×1-6 1.8KΩ | |||
14 | MB | 脉冲变压器 | WB1-2 | |||
13 | 2CZ | 话筒插孔 | CK2 | |||
12 | HD | 信号灯 | XD1 红色, 6.3V | |||
11 | FL | 分流器 | 75mm V 配套 | |||
10 | A | 电流表 | 44C3-AO-30A | 44C3-AO-50A | 44C3-A O-5-A | |
9 | KGZ | 可控硅 | KP20-900 | DO100-900 | DO200-900C | |
8 | YM | 压敏电阻 | RM4-A(B)-820-1000 | |||
7 | W3 | 电位器 | WX3-11 3W,3.3KΩ | |||
6 | W2 | 电位器 | WX3-11 3W,470KΩ | |||
5 | W1 | 电位器 | WX25-1 25W,560Ω轴端结构ZS-5 | |||
4 | B | 变压器 | BK-10 220V/ 75V,5VA,36V,3.5VA,6.3V,1.5A | |||
3 | RD | 熔断器 | BLX配XB BJK30熔管0.5A | |||
2 | KRD | 熔断器 | RLS-50 熔芯20A | RLS-50熔芯30A | RLS-50熔芯50A | |
1 | K | 钮子开关 | KA3-3-1Y双刀双掷荧光手柄 | |||
序 号 | 符 号 | 名 称 | XKZ20G3 | XKZ100G3 | XKZ200G3 | |
规 格 型 号 | ||||||

表5
代 号 | 名 称 | 规 格 型 号 |
SA | 扭子开关 | KN32×2 |
RP | 电位器 | 2W 680K |
XD | 信号灯 | 220V |
RV | 压敏电阻 | MY471 470V |
F | 保险丝座 | BLX-1 芯 DT05:5A DT20:20A |
PA | 电流表 | 44C2 DT05:5A DT20:15A 内附分流器 |
T | 模块 | DT05:T05 DT20:T20 |
序号 |
代 号 | 名 称 | 规 格 | 材料 | 数 量 | 说明 | 符 号 | 备 注 |
1 | RS3.500V | 快速熔断器 | 150A | 2 | RS1RS2 | |||
2 | 3CT300A | 普通可控硅 | 300A、1200V 平板风冷式 | 1 | KC12 | |||
3 | RM3-A(B)-820-1000 | 压敏电阻 | 820V | 1 | R1 | |||
4 | CJ40 | 电容器 | 1600V | 1 | CS | |||
5 | RX20-8W | 线绕电阻器 | 200Ω、8W | 1 | R4 | |||
6 | 44L-V | 交流电压表 | 0-450V | 1 | V | |||
7 | JR16BB-150/2 | 热继电器 | 380 | 2 | 1RJ,2R | |||
8 | BLF-1 | 螺旋式熔丝座 | 400V、5A芯、 2A | 2 | 1RD,2RD | |||
9 | XD14-380V | 信号灯 | 红绿、各1 | 2 | LXDHXD | |||
10 | LA12-11 | 控制按钮 | 380红绿各1 | 1 | QA、TA | |||
11 | JZ7-62 | 中间继电器 | 380V 5A | 1 | J | |||
12 | LW2-11/F4-3 | 封闭式**转换 | 开关 | 1 | K | |||
13 | 同步变压器 | 380/30、6.3 | 1 | BT1 | ||||
14 | 脉冲变压器 | 2:1 | 1 | BT2 | ||||
15 | QL2A-200V | 集成整流器 | 2A、200V | 1 | QZ | |||
16 | CW7815 | 集成稳压器 | L=1.5A V=15V | 1 | WY1 | 皆为F-2 | ||
17 | CW7915 | 集成稳压器 | L=1.5A V=15V | 1 | WY2 | 型I或II类 | ||
18 | CC10-11 | 铝电解电容器 | 160V、4.7μf | 2 | C3、C4 | 直插式 | ||
19 | CC10-11 | 铝电解电容器 | 160V、10μf | 2 | C1、C2 | 直插式 | ||
20 | WXD3-13 | 多圈电位器 | 22KΩ、3W | 1 | W1 | |||
21 | WS | 电位器 | 0.5W-X-22K | 1 | W1 | |||
22 | RT100Ω | 金属膜电阻 | 100Ω 1/4 w | 1 | R2 | |||
23 | RJ400Ω | 金属膜电阻 | 400Ω 1/4w | 1 | R3 | |||
24 | RX1-6 | 绕线电阻 | 200Ω 1/4w | 1 | R4 | |||
25 | CK-2 | 二芯插扎 | 1 | |||||
26 | CZJK-Y-30 | 30线插座 | 1 | |||||
27 | CZJK-Y-44 | 44线插座 | 1 | |||||
28 | AZ | 20线插座 | 1 | |||||
29 | AT | 20线插座 | 1 | |||||
30 | 3DD15D | 硅三根管 | 1 | |||||
31 | 2CZ82C | 二级管 | 2 | 1CZ2CZ | ||||
32 | KB | 触发器 | 1 | |||||
33 | KN4×2 | 波段开关 | 2 | SW1SW2 |
SZK电控箱电气元件表
(三)控制装置的结构型式及安装尺寸
1、结构型式
根据电磁振动给料机的使用条件,控制装置的结构型式分两种:
(1)结构型式
这种结构形式适用于单机操作,控制箱挂在给料机旁的建筑物上,也可坐放在给料机附近。
(2)组合式
控制装置也可作成组合屏式结构,以便于多台电振机的集中操作和控制,一般在订货无特殊要求时,均按单台挂墙式结构配套付货。
(3)落地式:与GZ11—T配套的SZK电控箱为落地式。
2、控制装置与主机的配套见表2
3、DT及XKZ控制箱外形及安装尺寸见表7
表7 外形及安装尺寸
DT05 DT20 | XKZ-20G3 | XKZ-100G3,XLZ-200G3 | |
外形尺寸 (高×宽×厚) | 260×180×165 | 408×208×255 | 465×350×295 |
吊挂尺寸 (高×宽) | 130(宽) | 280×180 | 330×244 |
(四)使用与维护
1、使用前应首先检查控制装置的内部接线是否松动脱落,如有松动或脱落应按原理图接好,可控制管壳与散热器应接触良好,保证原件工作时散热正常。
2、控制装置不应放置在具有剧烈振动的场合,装置内部应保持清洁。
3、使用GZ6一11型电振机配套电控箱时,先在X0X1端接入相线,再将测振旋钮旋至**大,此时可在电流表测得一电流;倒接相线,可测得另一电流。数值大者为正确接线。
4、使用SZK电控箱时,先在X1X2接入相线,X12、X23和X13、X 24端分别接入负载,按动QA,按顺时针方向旋转w1,可正常工作。
5、使用中的其它故障及产生原因参看表8。
表8 其它故障及生产原因
故 障 | 可能产生的原因 |
调节电位器 电振机无电流 | 1、 电位器损坏 2、 插口常用接点接触不良 3、 三极常1、2BG损坏 4、 单结晶体管3BG损坏 5、 可控硅控制极断路 |
快速熔断器熔断 | 1、 振动器线圈接地 2、 振动器两线圈接反 3、 气隙过大 |
电流大没有振幅 | 可控硅击穿,交流电通过振动器线圈 |
有触发脉冲,但可控硅不触发 | 1、 同步电压接反 2、 可控硅损坏 |
三、随机技术文件
本机出厂时随机携带如下技术文件:
1、 产品说明书。
2、 产品合格证、装箱单。
公司产品广销全国多个省市地区,产品获得广大客户好评
秉持“专一、专注”的精神,提供匠心产品,服务全球千万用户
实力雄厚 · 设备优良 · 质量保证 · 用户至上 · 合作共赢
13633733996
扫一扫 关注我们